മലയാളം
|
മോഡൽ നമ്പർ |
SG - DTM06U (C, M) 2 - x |
SG - DTM06U (C, M) 2 - tx |
SG - DTM03U (C, M) 2 - x |
SG - DTM03U (C, M) 2 - tx |
SG - DTM02U (C) 2 - x |
SG - DTM02U (C) 2 - tx |
|
താപ മൊഡ്യൂൾ |
||||||
|
ഇമേജ് സെൻസർ |
അടങ്ങിയ വോക്സ് മൈക്രോബോളർമീറ്റർ |
|||||
|
പിക്സൽ ഇടവേള |
12 സങ്കേതം |
|||||
|
പ്രതികരണത്തിന്റെ വേവ്ബാൻഡ് |
8μm മുതൽ 14 വരെ |
|||||
|
പരമാവധി. മിഴിവ് |
640 × 512 |
384 × 228 |
256 × 192 |
|||
|
ഫ്രെയിം റേറ്റ് (എഫ്പിഎസ്) |
50 |
25 |
50 |
25 |
50 |
25 |
|
ലെൻസ് (ഫോക്കൽ ദൈർഘ്യം) |
9.1 / 13/9 / 25 മിമി |
9.1 / 13 മിമി |
4/7 / 10mm |
|||
|
എഫ് നമ്പർ |
F1.0 / F1.0 / F1.1 / F1.2 |
F1.0 |
F1.0 |
|||
|
കാഴ്ചയുടെ ഫീൽഡ് (എച്ച് × v) |
45.9 × 36.9 × 36.9 ° / 32.9 × 26.6 ° / 22.6 ° × 18.2 ° / 17.3 ° × 13.8 ° |
28.7 ° × 21.7 ° / 20.1 × 15.1 ° |
46.8 ° × 34.1 × 24.6 ° × 18.9 ° × 12.8 × 12.8 × 12.8 × |
|||
|
ടെംപ് അളവ് |
N / A. |
പിന്താങ്ങുക |
N / A. |
പിന്താങ്ങുക |
N / A. |
പിന്താങ്ങുക |
|
താപനില അളവ് |
||||||
|
താപനില പരിധി |
LT മോഡ്: - 20 ° C + + 150 ° C; എച്ച്ടി മോഡ്: 0 ° C ~ + 550 ° C. |
|||||
|
അളക്കൽ പിശക് |
പരമാവധി (± 2 ° C, ± 2%); ഓപ്പറേറ്റിംഗ് ടെംപ്: - 20 ° C + 50 ° C. |
|||||
|
ഇമേജ് ഡിസ്പ്ലേ |
||||||
|
ഇമേജ് ക്രമീകരണം |
തെളിച്ചം, ദൃശ്യതീവ്രത, മൂർച്ച |
|||||
|
വിശദമായ മെച്ചപ്പെടുത്തൽ |
പിന്താങ്ങുക |
|||||
|
നേട്ടം |
യാന്ത്രിക / മാനുവൽ |
|||||
|
ശബ്ദ കുറവ് |
2 ഡി / 3 ഡി |
|||||
|
ഫ്ലിപ്പ് |
പിന്താങ്ങുക |
|||||
|
മുഖക്കണ്ണാടി |
പിന്താങ്ങുക |
|||||
|
കപട - നിറം |
18 പാലറ്റുകൾ ക്രമീകരിക്കാവുന്ന |
|||||
|
ക്രോസ്ഹെയർ |
പ്രദർശിപ്പിക്കുക / അപ്രത്യക്ഷമാക്കുക / മറയ്ക്കുക |
|||||
|
ഇമേജ് പ്രോസസ്സിംഗ് |
NOC തിരുത്തൽ, ഡിജിറ്റൽ ശബ്ദ ഫിൽറ്റർ, ഡിഡിഇ |
|||||
|
വീഡിയോ |
||||||
|
വീഡിയോ .ട്ട്പുട്ട് |
Uvc / bt.656 / mipi / lvds / cvbs |
യുവിസി / സിവിബിഎസ് |
||||
|
വിപുലീകരണ ഇന്റർഫേസ് |
യുഎസ്ബി / മിപ്പി / സിവിബിഎസ് / തരം - സി |
യുഎസ്ബി / സിവിബിഎസ് / തരം - സി |
||||
|
സീരിയൽ കമ്മ്യൂണിക്കേഷൻ |
UATT സീരിയൽ പോർട്ട് |
|||||
|
പൊതുവായ |
||||||
|
ശക്തി |
ഡിസി 4.5 ~ 5.5 വി; സിവിബിഎസ്: ഡിസി 4.5-20 വി |
|||||
|
വൈദ്യുതി ഉപഭോഗം |
≤0.7w@25 യൂറോപ്പ് |
≤0.7w@25 യൂറോപ്പ് |
≤0.55w@25 യൂറോപ്പ് |
|||
|
പ്രവർത്തന താപനില |
- 40 ° C ~ 70 ° C |
|||||
|
സംഭരണ താപനില |
- 40 ° C ~ 80 ° C |
|||||
|
ജോലി ചെയ്യുന്ന ഈർപ്പം |
≤95% RH (നോൺ - ബാഷ്പീകരണം) |
|||||
|
ഞെട്ടുക |
6.06g റാൻഡം, 3 - അക്ഷം, സൈൻ വേവ് വൈബ്രേഷൻ |
|||||
|
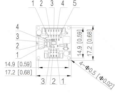
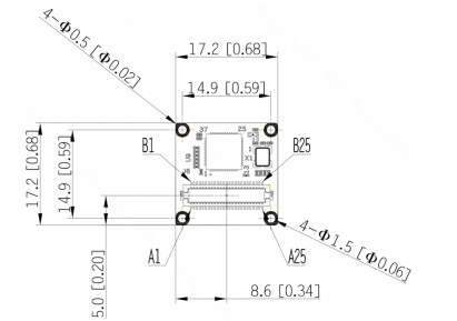
പരിമാണം |
17.3MM * 17.3MM * 10.8 MM (ലെൻസ് സ്പെയ്സർ റിംഗ് റിംഗ് ടെയിൽ പ്ലേറ്റില്ലാതെ) |
|||||
|
ഭാരം |
5 ജി (ലെൻസ് സ്പെയ്സർ റിംഗ് ടെയിൽ പ്ലേറ്റ് ഇല്ലാതെ) |
|||||




നിങ്ങളുടെ സന്ദേശം വിടുക

